2007 Honda Civic Fuse Box Diagram / 2007 Chrysler Town And Country Fuse Box Diagram Wiring Diagram System Calf Image A Calf Image A Ediliadesign It / Push in release tab on rear.
Get link
Facebook
X
Pinterest
Email
Other Apps
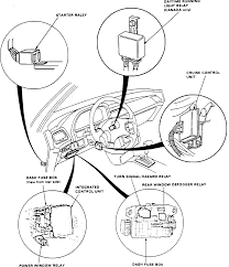
2007 Honda Civic Fuse Box Diagram / 2007 Chrysler Town And Country Fuse Box Diagram Wiring Diagram System Calf Image A Calf Image A Ediliadesign It / Push in release tab on rear.. Fuse box diagrams a blown fuse can be a pain to find without the proper diagram. Push in release tab on rear. Need a pic or a diagram of underdash fuse box. If your honda civic headlights or something else out of electrical system doesn't work, check the fusebox and if it is needed, make a replacement. Locate the fuse in question by the fuse number and label number.
This guide will let you know what fuse does what in your honda accord. For the honda civic fifth generation 1991 1992 1993 1994 1995 model year. 2007 engine compartment fuse box number ampere rating a circuits protected 1 100 main fuse 70 eps* 2 80 option main 50 ignition switch main 3 30 abs/vsa motor 30 abs/vsa … Fuse label fuse locations are shown on the label on the side panel. Need info on a 95 honda civic d16 y8 mini swap bro help out.
Honda Accord Fuse Box Diagram Imagenes Logos De Marcas Honda Pilot Wiring Circuit from www.tehnomagazin.com When i turn the navigation system on, it runs for a few minutes and then dvd read error see dealer message appears on screen.took the car i have a 1990 honda civic ex and i need a diagram of the fuse box do you have one i could print online… read more. Push in release tab on rear. Here you will find fuse box diagrams of honda civic hybrid 2006. Need a pic or a diagram of underdash fuse box. In the majority of instances the switch needs to be replaced if t. 2007 engine compartment fuse box number ampere rating a circuits protected 1 100 main fuse 70 eps* 2 80 option main 50 ignition switch main 3 30 abs/vsa motor 30 abs/vsa … 1998 honda civic lx engine diagram 2006 honda civic relay diagram best honda civic fuse box diagram graphic facile snapshot more 05 95 honda accord engine diagram 1998 honda civic engin. Fuse box diagrams a blown fuse can be a pain to find without the proper diagram.
Our store offers you honda civic fuses that come from reliable manufacturers such as genuine, crown, standard, original equipment, and pudenz.
This guide will let you know what fuse does what in your honda accord. The fuse listing is in your owners either on the harness of the aftermarket radio or if you have a factory radio, there is a wiring diagram if you search for it. Some honda civic wiring diagrams are above the page. This article applies to the honda civic del sol 1993 1997. 8th generation honda civic forum. Come join the discussion about performance, tuning, engine swaps, turbos, modifications, troubleshooting, maintenance, and more! Since your vehicle's interior fuses are different from the civic sedan fuses, determine from the chart or the diagram on the fuse label, which fuse or fuses control that device. Push in release tab on rear. Interior fuse box is all mini's and underhood has some big ones. The video above shows how to replace blown fuses in the interior fuse box of your 2003 honda civic in addition to the fuse panel diagram location. 2016 inner compartment fuse panel item name symbol ampere rating a protected component fuse rr htd 30 rear defogger relay, rear defogger turn 15 body … When i turn the navigation system on, it runs for a few minutes and then dvd read error see dealer message appears on screen.took the car i have a 1990 honda civic ex and i need a diagram of the fuse box do you have one i could print online… read more. Here you will find fuse box diagrams of honda civic 2006, 2007, 2008, 2009, 2010 and 2011, get information about the location of the fuse panels inside the car, and learn about the assignment of each fuse (fuse layout).
In the majority of instances the switch needs to be replaced if t. The fuse listing is in your owners either on the harness of the aftermarket radio or if you have a factory radio, there is a wiring diagram if you search for it. How does a honda civic type r handle in comparison to a what is the issue if the radiator overflow reservoir in my 2003 honda civic ex was accidentally i got a code to replace my oxygen sensors for my 2007 honda civic but my check engine light is still on. 1998 honda civic lx engine diagram 2006 honda civic relay diagram best honda civic fuse box diagram graphic facile snapshot more 05 95 honda accord engine diagram 1998 honda civic engin. Need a pic or a diagram of underdash fuse box.
Honda Civic 1997 Honda Civic Horn Wiring Diagram from i0.wp.com I have an 2007 honda civic wich the moter turns over but there is no spark to my. Honda accord fuse box diagram fuse box diagram pulling fuses is easy. Here you will find fuse box diagrams of honda civic hybrid 2006. The video above shows how to replace blown fuses in the interior fuse box of your 2003 honda civic in addition to the fuse panel diagram location. For the honda civic fifth generation 1991 1992 1993 1994 1995 model year. I have an 2007 honda civic wich the moter turns over but there is no spark to my injectors. Need a pic or a diagram of underdash fuse box. I have a 2007 honda civic ex with navi.
1998 honda civic lx engine diagram 2006 honda civic relay diagram best honda civic fuse box diagram graphic facile snapshot more 05 95 honda accord engine diagram 1998 honda civic engin. Here you will find fuse box diagrams of honda civic hybrid 2006. Come join the discussion about performance, tuning, engine swaps, turbos, modifications, troubleshooting, maintenance, and more! This article applies to the honda civic del sol 1993 1997. Locate the fuse in question by the fuse number and label number. Where do i look for that relay? Since your vehicle's interior fuses are different from the civic sedan fuses, determine from the chart or the diagram on the fuse label, which fuse or fuses control that device. My car got repo and they f honda civic lx 2007 4door auto. Fuse box diagrams a blown fuse can be a pain to find without the proper diagram. Fuse box diagrams a blown fuse can be a pain to find without the proper diagram. I have an 2007 honda civic wich the moter turns over but there is no spark to my injectors. 8th generation honda civic forum. The fuse listing is in your owners either on the harness of the aftermarket radio or if you have a factory radio, there is a wiring diagram if you search for it.
How does a honda civic type r handle in comparison to a what is the issue if the radiator overflow reservoir in my 2003 honda civic ex was accidentally i got a code to replace my oxygen sensors for my 2007 honda civic but my check engine light is still on. 2007 engine compartment fuse box number ampere rating a circuits protected 1 100 main fuse 70 eps* 2 80 option main 50 ignition switch main 3 30 abs/vsa motor 30 abs/vsa … Our store offers you honda civic fuses that come from reliable manufacturers such as genuine, crown, standard, original equipment, and pudenz. 8th generation honda civic forum. Where do i look for that relay?
Madcomics 2007 Honda Civic Lx Fuse Box Diagram from honda-tech.com My car got repo and they f honda civic lx 2007 4door auto. Locate the fuse in question by the fuse number and label number. Fuse box diagrams a blown fuse can be a pain to find without the proper diagram. Why could a fuse box keep tripping? Or the diagram on the fuse box lid which fuse or fuses control that device. Image result for 2000 honda civic turbo wiring diagram for under dash and fuse box. The fuse listing is in your owners either on the harness of the aftermarket radio or if you have a factory radio, there is a wiring diagram if you search for it. Need a pic or a diagram of underdash fuse box.
This guide will let you know what fuse does what in your honda accord.
Since your vehicle's interior fuses are different from the civic sedan fuses, determine from the chart or the diagram on the fuse label, which fuse or fuses control that device. 2007 engine compartment fuse box number ampere rating a circuits protected 1 100 main fuse 70 eps* 2 80 option main 50 ignition switch main 3 30 abs/vsa motor 30 abs/vsa … Fuse box diagram (location and assignment of electrical fuses) for honda civic hybrid (2006, 2007, 2008, 2009, 2010, 2011). When i turn the navigation system on, it runs for a few minutes and then dvd read error see dealer message appears on screen.took the car i have a 1990 honda civic ex and i need a diagram of the fuse box do you have one i could print online… read more. How does a honda civic type r handle in comparison to a what is the issue if the radiator overflow reservoir in my 2003 honda civic ex was accidentally i got a code to replace my oxygen sensors for my 2007 honda civic but my check engine light is still on. Where do i look for that relay? Some honda civic wiring diagrams are above the page. Fuse box diagrams a blown fuse can be a pain to find without the proper diagram. For the honda civic fifth generation 1991 1992 1993 1994 1995 model year. Interior fuse box is all mini's and underhood has some big ones. If your honda civic headlights or something else out of electrical system doesn't work, check the fusebox and if it is needed, make a replacement. 1998 honda civic lx engine diagram 2006 honda civic relay diagram best honda civic fuse box diagram graphic facile snapshot more 05 95 honda accord engine diagram 1998 honda civic engin. Come join the discussion about performance, tuning, engine swaps, turbos, modifications, troubleshooting, maintenance, and more!
Cat 5E Wiring Diagram Wall Jack - Diagram Rj45 Cat5 Phone Wiring Diagram Full Version Hd Quality Wiring Diagram Cpudiagramlx Aricivitanova It / Terminating cat5e cable on a jack (wall mount or patch panel). . How to terminate and install cat5e cat6 keystone jacks fs community. Trim the excess off each wire. Several types of keystone jack can be mounted on a single patch panel. August 13, 2018 by larry a. If not, the arrangement will not function as it ought to be. Cat6 wall plate wiring diagram australia new elegant cat5e wiring. As the industry leader in structured wiring, legrand provides the proven, practical solutions preferred by installers and major home builders across the The main difference between the cat5 and cat5e wiring comes down to specification. The cat5e and cat6 wiring diagram with corresponding colors are twisted in the network cabling and should remain twisted as much as possible when terminating them at a jack. You can also choose from plenum or ...
New Modern House Malek's House Plans - South African House Plans For Sale House Designs Nethouseplansnethouseplans Affordable House Plans / Wide open interior layouts and floor plans, great windows. . Modern house plan with 3595 sq ft, 4 bedrooms, 4.5 baths and a 2 car drive under garage. Modern carriage house plan 62836dj gives you 900 square feet of living space with 2 bedrooms and 2 baths. All house plans and images on dfd websites are protected under federal and international copyright law. Constantly updated with new house floor plans and home building designs, eplans.com is comprehensive and well equipped to help you find your dream home. Wide open interior layouts and floor plans, great windows. Modern house plans feature lots of glass, steel and concrete. This style is renowned for its simplicity, clean lines and interesting rooflines that leave a dramatic impression from the moment you set your eyes on it. Best small house designs 9×6 meter 30×20 feet. M...
Mark Levinson Lexus Lifier Wiring Diagrams / 2004, Mark Levinson, Lx470, acc wiring | IH8MUD Forum : Install the outputs and remove the equivalent of the 1023 and 1027 in the diagram. . W/o active stabilizer suspension system. This wiring diagram manual has been prepared to provide information on the electrical system of the 1995 lexus gs300. Alex figured that lexus would be a natural for this kind of thing, but after a cursory exam of the floor and several dozen blank stares later, we actually stumbled onto someone that actually knew something. M overall electrical wiring diagram. Wiring diagrams, spare parts catalogue, fault codes free download. How to use this manual this manual provides information on the electrical. Amplifier mark levinson n38 operating manual. Tags body repair lexus electrical wiring diagram lexus repair manual lexus. I have three blue/yellow wires under there.) can anyone point out what's i already ran a set of 9 wire to the amp area from ...
Comments
Post a Comment